TechSource Systems is MathWorks Authorised Reseller and Training Partner
Learn how to use advanced components of embedded systems design for architecting a complex system in the Zynq System on a Chip (SoC) or MicroBlaze™ soft processor
The emphasis of this two days course is on:
Hardware, firmware, and system design engineers who are interested in Xilinx embedded systems development flow
After completing this comprehensive training, you will have the necessary skills to:
TechSource Systems is MathWorks Authorised Reseller and Training Partner
Objective: Provides an overview of embedded hardware development.


Objective: Illustrates how design information generated during the hardware development process is moved into the SDK tool realm.
Objective: Provides a thorough understanding of how the integrated design environment works, including how the compiler and linker behave, basics of makefiles, DMA usage, and variable scope.


Objective: Overview of the Zynq7000 SoC architecture.
Objective: Overview of the MicroBlaze microprocessor architecture.


Objective: Overview of the Zynq UltraScale+ MPSoC architecture.
Introduces the need and offers a solution for in-chip testing of hardware designs.


Objective: Reviews the process of marking nets to show which signals should be monitored without having to explicitly instantiate ILA cores.
Objective: Describes how to enable events in hardware to pause the software execution and breakpoints in software to cause an ILA trigger.


Objective: Provides a brief overview of the different types of memory available, as well as when one type of memory would be selected over another.
Objective: – Introduces two versions of block RAM controllers and how and why they are needed.


Objective: Discusses static memory controllers in general and the SMC implementation in the Zynq-7000 family of devices.
Objective: Provides additional details regarding how DDRx memory interfaces with a controller.


Objective: Covers how the DMC is implemented as well as many of its key behaviors.
Objective: Introduces the concept of interrupts, basic terminology, and generic implementation.


Objective: – Presents the details of how the Zynq-7000 platform uses interrupts from both a hardware and software perspective.
Objective: Introduces the general interrupt controller (GIC), its features, and some examples of its use.


Objective: Describes how interrupts are handled within the MicroBlaze processor system from a hardware perspective.
Objective: Introduces the AXI Interrupt Controller, which augments the MicroBlaze processor’s interrupt capabilities by managing multiple interrupt sources.

Objective: – Provides the context and background for the the streaming configuration of the AXI protocol.


Objective: Describes and illustrates how data streaming is performed using the MicroBlaze processor.
Objective: Introduces the AXI Streaming FIFO and its capabilities.


Objective: Focuses on the relationships between different types of AXI interfaces and how they can be connected to form hierarchies.
Objective: Introduces various IP that supports DMA and DMA-like functionality.


Objective: Discusses the various connection points between the PS and PL.
Objective: Introduces the USB high-speed peripheral.


Objective: Introduces the Gigabit Ethernet high-speed peripheral.
Objective: Introduces the low-speed peripherals in the Zynq SoC.


Objective: Introduces the CAN low-speed peripheral.
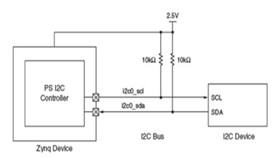
Objective: Introduces the I2C low-speed peripheral.


Objective: Introduces the SD/SDIO low-speed peripheral.
Objective: Introduces the SPI low-speed peripheral.


Objective: Introduces the UART low-speed
peripheral.
Objective: Covers the IP that provides basic logic support within the block design.


Objective: Illustrates from the hardware design perspective how a master in the PL can leverage resources within the PS.
Objective: Addresses some of the mechanisms that a designer can leverage to support cross processor communications.


Objective: – Introduces the concept of caching and describes how this technique is implemented using the Xilinx processor systems.
Objective: Introduces the concepts behind processing caching and the System-Level Control Register.


Objective: Describes the purpose and general behavior of the accelerator coherency port (ACP).
Objective: Provides a low-level view of the booting process.


Objective: Introduces the concepts behind configuring the PL at boot.
Objective: Introduces the Flash Image Generator tool, which is used to collect up a variety of files and order them properly in the Flash so that the FSBL can correctly read them.


Objective: Introduction to the Quick Emulator, which is the tool used to run software for the Zynq device when hardware is not available.